Equipo [Electric Steps] Alejandro Emiliano Tovar Murguía
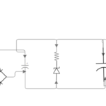
Este proyecto consiste en el desarrollo de un par de zapatos capaces de generar energía utilizando el efecto piezoeléctrico. La piezoelectricidad es un fenómeno que ocurre en ciertos materiales, como el cuarzo, cuya estructura molecular asimétrica permite que al aplicar presión mecánica se genere una diferencia de potencial eléctrico. Para aprovechar este efecto, se utilizaron discos piezoeléctricos colocados en la suela del zapato y conectados en paralelo para aumentar la corriente producida al caminar. La señal generada, que es corriente alterna, se convierte en corriente directa mediante un puente de diodos. Posteriormente, la energía se filtra y regula con un capacitor, una resistencia y un diodo Zener para proteger el circuito. Finalmente, la energía generada se almacena en un supercapacitor, desde donde puede utilizarse para alimentar pequeños dispositivos electrónicos o cargar baterías recargables.
This project consists of the development of a pair of shoes capable of generating energy using the piezoelectric effect. Piezoelectricity is a phenomenon that occurs in certain materials, such as quartz, whose asymmetric molecular structure allows a difference in electrical potential to be generated when mechanical pressure is applied.
To take advantage of this effect, piezoelectric discs were placed inside the shoe sole and connected in parallel to increase the current produced while walking. The generated signal, which is alternating current, is converted into direct current using a diode bridge.
Subsequently, the energy is filtered and regulated using a capacitor, a resistor, and a Zener diode to protect the circuit. Finally, the generated energy is stored in a supercapacitor, from which it can be used to power small electronic devices or charge rechargeable batteries.
“In tlatskaniliztli tlen nemiliztli, se icniuh tlatikpak. Ipan inin calzado piezoeléctrico, in tlatskaniliztli mocuepa ipan tlahuili, huan quipalehuia in tonan tlalli.”
Español
“En cada paso de la vida existe una fuerza de la tierra. Con este calzado piezoeléctrico, el movimiento se transforma en energía y ayuda a cuidar nuestro planeta.”
La piezoelectricidad es un fenómeno físico en el que ciertos materiales generan electricidad cuando se les aplica presión mecánica. Este efecto fue descubierto por Pierre y Jacques Curie en 1880 y desde entonces se ha utilizado en diferentes dispositivos tecnológicos. Cuando un material piezoeléctrico es comprimido, su estructura molecular produce una diferencia de potencial eléctrico que puede aprovecharse para generar energía (Priya & Inman, 2009).
Actualmente, diversas investigaciones buscan aprovechar pequeñas cantidades de energía presentes en el ambiente, como vibraciones o movimiento humano. Algunos dispositivos basados en materiales piezoeléctricos pueden capturar energía del movimiento cotidiano para alimentar pequeños sistemas electrónicos (Wang, 2013).
Además, el movimiento humano es importante para la salud. Actividades simples como caminar ayudan a mantener el cuerpo activo y mejorar el bienestar físico. Por esta razón, este proyecto propone aprovechar el movimiento al caminar para generar energía eléctrica mediante materiales piezoeléctricos integrados en un par de zapatos, permitiendo convertir una actividad diaria en una pequeña fuente de energía renovable.
Este proyecto surge a partir de la idea de aprovechar la energía que se produce en actividades cotidianas como caminar. Cada paso genera presión mecánica que normalmente se pierde, pero mediante materiales piezoeléctricos esta energía puede transformarse en electricidad. El desarrollo de tecnologías que permitan capturar pequeñas cantidades de energía del movimiento humano puede representar una alternativa innovadora para alimentar dispositivos electrónicos de bajo consumo.
Además, este proyecto busca contribuir al desarrollo de soluciones tecnológicas sostenibles relacionadas con los Objetivos de Desarrollo Sostenible, especialmente el ODS 7 (Energía asequible y no contaminante), el ODS 9 (Industria, innovación e infraestructura), el ODS 11 (Ciudades y comunidades sostenibles), el ODS 12 (Producción y consumo responsables) y el ODS 13 (Acción por el clima), al proponer una forma creativa de generar energía limpia a partir de una actividad diaria como caminar.
Actualmente, uno de los retos más importantes a nivel mundial es el acceso a energía limpia y sostenible. Durante muchos años la mayor parte de la electricidad se ha generado a partir de combustibles fósiles, lo que contribuye al aumento de emisiones contaminantes y al cambio climático. De acuerdo con la Agencia Internacional de Energía, millones de personas todavía no tienen acceso a electricidad segura y confiable, lo que afecta el desarrollo de muchas comunidades (International Energy Agency, 2023). Por esta razón, es necesario investigar nuevas formas de generar energía que sean más limpias y accesibles.
Al mismo tiempo, otro problema actual es el aumento del sedentarismo en la población. La Organización Mundial de la Salud señala que una gran parte de las personas no realiza suficiente actividad física, lo que puede afectar la salud y el bienestar (World Health Organization, 2022). Actividades simples como caminar son importantes para mantenernos activos. Por ello, surge la idea de aprovechar el movimiento humano para generar energía eléctrica mediante materiales piezoeléctricos integrados en el calzado.
Pregunta de investigación
¿Cómo se puede generar energía eléctrica a partir del movimiento humano al caminar utilizando materiales piezoeléctricos?
Si colocamos materiales piezoeléctricos en lugares donde exista presión constante del movimiento humano, como en el calzado, entonces será posible generar energía eléctrica a partir de cada paso. Esta energía podrá ser rectificada, almacenada y utilizada posteriormente para alimentar pequeños dispositivos electrónicos, demostrando que el movimiento humano puede aprovecharse como una fuente alternativa de energía renovable.
Diseñar y construir un prototipo de zapato capaz de generar energía eléctrica mediante materiales piezoeléctricos al aprovechar la presión producida por el movimiento humano al caminar.
Generar energía eléctrica a partir de la presión ejercida al caminar mediante el uso de discos piezoeléctricos colocados en la suela del calzado.
Rectificar y estabilizar la energía generada, convirtiendo la corriente alterna producida por los discos piezoeléctricos en corriente directa mediante un circuito electrónico.
Almacenar y utilizar la energía obtenida en un sistema de almacenamiento para alimentar pequeños dispositivos electrónicos o baterías recargables.
Este proyecto se relaciona con varios Objetivos de Desarrollo Sostenible propuestos por la Organización de las Naciones Unidas, ya que busca explorar nuevas formas de generar energía limpia a partir del movimiento humano.
ODS 7: Energía asequible y no contaminante
Este proyecto propone una forma alternativa de generar energía eléctrica mediante materiales piezoeléctricos, aprovechando el movimiento humano como una fuente de energía limpia.
ODS 9: Industria, innovación e infraestructura
El desarrollo de prototipos que utilizan nuevas tecnologías para captar energía del entorno promueve la innovación tecnológica y el desarrollo de soluciones energéticas más eficientes.
ODS 11: Ciudades y comunidades sostenibles
Tecnologías que aprovechan el movimiento humano podrían implementarse en espacios urbanos para generar pequeñas cantidades de energía y mejorar la eficiencia energética en las ciudades.
ODS 12: Producción y consumo responsables
La generación de energía a partir del movimiento humano puede reducir el uso de baterías desechables y fomentar un consumo energético más responsable.
ODS 13: Acción por el clima
El desarrollo de alternativas energéticas sostenibles contribuye a reducir la dependencia de combustibles fósiles y ayuda a disminuir el impacto ambiental.
La piezoelectricidad fue descubierta en 1880 por los hermanos Pierre Curie y Jacques Curie, quienes observaron que ciertos cristales podían generar electricidad cuando se les aplicaba presión mecánica. Este fenómeno ocurre porque la estructura molecular de algunos materiales no es completamente simétrica, lo que provoca que al deformarse se genere una diferencia de potencial eléctrico. Este efecto se presenta en materiales como el cuarzo y algunos cerámicos utilizados en dispositivos electrónicos (Priya & Inman, 2009; Wikipedia, s.f.).
Con el paso del tiempo, esta propiedad comenzó a utilizarse en distintas aplicaciones tecnológicas. Durante la Segunda Guerra Mundial se utilizaron materiales piezoeléctricos en sistemas de sonar para detectar submarinos. En estos sistemas, los discos piezoeléctricos podían generar y recibir ondas sonoras al aplicarles corriente eléctrica, permitiendo medir la distancia entre objetos bajo el agua. Estas tecnologías demostraron el potencial de los materiales piezoeléctricos para convertir energía mecánica en señales eléctricas útiles (Smil, 2017; Wikipedia, s.f.).
Actualmente, la piezoelectricidad se utiliza en sensores, micrófonos, encendedores eléctricos, relojes, dispositivos médicos y sistemas de captación de energía. Algunos estudios recientes han explorado el uso de materiales piezoeléctricos para aprovechar la energía generada por el movimiento humano o por vibraciones del entorno, con el objetivo de alimentar pequeños dispositivos electrónicos o sensores de bajo consumo energético (Wang, 2013; Priya & Inman, 2009).
Por esta razón, el desarrollo de tecnologías que aprovechen la piezoelectricidad representa una alternativa interesante para explorar nuevas formas de generación de energía a pequeña escala. Aplicaciones como pisos, carreteras o dispositivos portátiles capaces de generar electricidad a partir del movimiento humano están siendo investigadas como posibles soluciones para complementar las fuentes de energía tradicionales (Wang, 2013; International Energy Agency, 2023).
Materiales
Procedimiento
Primero, el equipo abrió cuidadosamente un par de zapatos y localizó un espacio adecuado dentro de la plantilla para colocar los discos piezoeléctricos sin afectar la comodidad ni la estructura del calzado.
Posteriormente, se realizaron varias pruebas para seleccionar un material que protegiera los discos piezoeléctricos, ya que estos son frágiles y pueden romperse con la presión constante. Finalmente se eligió un material que proporcionara soporte, flexibilidad y protección.
Después, los discos piezoeléctricos se conectaron en configuración paralela para aumentar la corriente generada. Estos se integraron a un circuito rectificador con el fin de convertir la corriente alterna producida por el movimiento en corriente directa utilizable.
Finalmente, se cerraron nuevamente los zapatos, se revisaron las conexiones eléctricas y se realizaron pruebas caminando. Durante las pruebas se consideraron factores como la talla del zapato y el peso de la persona, ya que influyen en la presión ejercida sobre los discos piezoeléctricos y en la energía generada.
Durante las pruebas del prototipo se colocaron 7 discos piezoeléctricos conectados en paralelo dentro del calzado. Al caminar, cada pisada generó aproximadamente 4 V de voltaje antes del proceso de rectificación.
Cuando la señal pasó por el puente rectificador, se observó una pérdida de voltaje propia del circuito, obteniendo entre 2 y 3 V de salida en corriente directa. Posteriormente, la energía fue filtrada y almacenada en un supercapacitor de 1 F con tensión nominal de 5.5 V, el cual logró cargarse aproximadamente hasta 2.5 V durante las pruebas realizadas.
Estos resultados demuestran que el sistema es capaz de generar, rectificar y almacenar energía eléctrica a partir del movimiento humano al caminar, lo que confirma el funcionamiento del prototipo.
Tabla de resultados experimentales

Representación gráfica del comportamiento del voltaje
Voltaje en cada etapa del sistema:
Esta representación muestra cómo el voltaje disminuye ligeramente después del proceso de rectificación, lo cual es normal debido a las pérdidas en los diodos del puente rectificador.
En este proyecto se logró diseñar y construir un prototipo de zapato generador de energía utilizando materiales piezoeléctricos, cumpliendo con el objetivo principal del trabajo. Durante las pruebas se comprobó que los discos piezoeléctricos colocados en la suela del calzado pueden generar voltaje al recibir presión durante el movimiento al caminar.
Los resultados obtenidos muestran que cada pisada puede producir aproximadamente 4 V, y después del proceso de rectificación se obtiene entre 2 y 3 V, los cuales pueden ser filtrados y almacenados en un supercapacitor. Esto demuestra que la energía generada a partir del movimiento humano puede ser tratada, almacenada y utilizada para alimentar pequeños dispositivos electrónicos.
El funcionamiento del prototipo se basa en la propiedad de algunos materiales piezoeléctricos, como ciertos cristales, cuya estructura molecular no es completamente simétrica. Cuando estos materiales reciben presión, se genera una separación de cargas eléctricas que produce una diferencia de potencial eléctrico, lo que permite convertir la energía mecánica en energía eléctrica.
En conclusión, este proyecto demuestra que el movimiento humano puede aprovecharse como una pequeña fuente de energía alternativa, y que tecnologías basadas en piezoelectricidad podrían explorarse en el futuro para desarrollar dispositivos capaces de generar energía a partir de actividades cotidianas como caminar.